openBVE logo

Development PC(s) and Network - Introduction



Project banner
This section of the website is for those with an interest in computers (both workstations and servers), networking, hardware and software. Here you can find out what systems I develop my routes on, and what components I've chosen for good performance in openBVE, BVE Trainsim or other applications. Apart from my first ever PC, I've assembled all my computer systems myself, as usually a much better computer that's suited to my needs can be built this way. You can also find out what software I use, what hardware I've developed my routes on, both currently and in the past, as well as see what kinds of add-ons I've been able to produce thanks to each new generation of hardware.

Within the Development PC(s) and Network Section:



The server setup (2016 - Present)



Thumbnail imageIn 2016 my computing interest took a new direction. The rate of improvements with dektop computing seemed to have slowed; due partly to the continued rise of mobile devices and computing and the focus on this segment, and the chip fabrication industry getting ever closer to reaching the limits of the traditional understanding of "Moore's Law", as transister size began approaching the 14nm range or below. While I've had a superficial interest in IP (Internet Protocol) networking for a long time, 2016 felt like the right time to take this interest to a new level.

So I set about researching current standards in the networking field and started to design my own 19 inch rack server setup. I wanted to have a large network attched storage capability providing centralised storage of projects, including HD and 4K video, my openBVE work, and anything else I wished.

I also wanted to experiment with 10GbE (10 Gigabit Ethernet) and reducing the reliance on working with large volumes of data such as 4K video files on fast SSDs in a specific desktop machine. This would allow me to work on the same projects from any device. I also wanted an Uninterruptable Power Supply (UPS) for the server and desktop PC. The other aim was to learn more directly about web server setup and administration, Windows server administration, server and Internet security, CCTV capability, and managing network appliances and services such as NTP (Network Time Protocol) and DNS (Domain Name System).

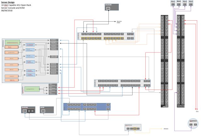
Thumbnail imageThis little journey led to me initally building a 19 inch (which describes the width), 9U ('U' being a single height unit in a rack) server in an enclosure. This setup was comprised of a 2U APC SmartUPS SMT1500, 1U Asus RS200-E9-PS2 server (Intel Xeon E3-1225 V5 with 32GB DDR4 ECC SDRAM, SanDisk X400 M.2 SSD and dual 960GB SanDisk SDSSDHII-960Gs in RAID 1), 1U 6-way UK 13A PDU, 1U 12-way IEC C13 PDU, 1U Netgear GS716T 1Gbps switch, and 1U Synology RS815+ RackStation NAS with 4x 6TB Western Digital Red Pro hard drives (for RAID 5). I fitted a Startech 10GbE SFP+ PCIe card to the Asus server to have fast access to the RAID SSDs.

This was a great setup but was only the start. In 2017 I decided to expand the rack server with more network appliances and rack mounted gear which I could learn about. I drew up a new design and schematics for device layout, data and power configurations, and ordered a Startech 42U rack, which is of an open frame construction requiring self assembly. I then transferred the existing rack mount equipment over to the new 42U rack. I fitted a range of blanking and ventilation plates, and brush bars to the rack. I fitted a 48 port patch panel which I could use for connecting Cat 6A cables which ran externally from the rack, using an appropriate IDC punch down tool.

Thumbnail imageI added a Netgear S3300-28X 28 port 1Gbps/10GbE switch, and also added a Netgear S3300-28X-POE+ 28 port switch to drive Power Over Ethernet (PoE) IP security cameras and any other PoE devices I may add in future. I connected these managed switches in a stacked configuration providing redundancy and 10GbE uplinks via SFP+ copper interconnects. In the long run, I want to reduce reliance on WiFi and have as many devices as possible connected via Ethernet, for speed, reliability and security.

I also added an Aten CS1308 8-port KVM, and a Belkin rack console with built-in keyboard and 1280x1024 LCD screen. The last pieces of the jigsaw were the addition of a UniFi Security Gateway 4 Pro and UniFi AP-AC-Pro WiFi access point (previously the server equipment was protected behind a NAT firewall provided by my ISP's router, with the router providing WiFi). After the UniFi gateway was installed, this took over the role of protecting the devices, assigning Dynamic Host Control Protocol (DHCP) leases and IP address reservations, and handling Virtual Private Networking (VPN). The end result is a satisfying blinkenlights show and a fantastic collection of networking kit.

The Asus Xeon server, runs Windows Server 2016 Standard, with several Linux installations running in Hyper-V virtual machines. These each provide services including Apache HTTP and FTP, Syslog, POP3, IMAP, SMTP and Webmail, Squid Proxy, BIND name servers, and NTP. One physical ethernet port is assigned to each Hyper-V virtual machine via a "Hyper-V Virtual Switch", so I added an Intel I350-T4 4-port 1Gbps PCIe NIC for extra capacity.

1TB of fast Server Message Block (SMB) storage accessed via 10GbE is provided via Windows Server 2016 and the dual SATA3-600Mbps SSDs in RAID 1. Slower but higher capacity mass Network Attached Storage (NAS) is provided via the Synology Rackstation over link-aggregated 1Gbps bonds. The network relies on it's own DNS and domain for name resolution and has it's own NTP server which other server appliances, virtual machines and home network devices synchronise with. The Syslog server listens for log reports which are sent to it from the other Linux based servers, providing an easy way to collect and view the most important log messages.

Also important is cable management, especially in a more complex setup like this. All permanently installed Cat 6A, SFP copper and power cables are tied together and bundled in groups, with data and power cables seperated where possible. All cables are identified with labels, as are all ports and RJ-45 sockets in the development office. These labels match up with the designs and schematics for ease of future maintenance and troubleshooting.


Gallery



The system in use (42U configuration):

Thumbnail image Thumbnail image Thumbnail image Thumbnail image Thumbnail image Thumbnail image Thumbnail image Thumbnail image Thumbnail image

The system being built (42U configuration):

Thumbnail image Thumbnail image Thumbnail image Thumbnail image Thumbnail image Thumbnail image Thumbnail image Thumbnail image Thumbnail image Thumbnail image Thumbnail image Thumbnail image Thumbnail image Thumbnail image Thumbnail image

The system in use (previous 9U configuration):

Thumbnail image Thumbnail image

The system being built (9U configuration):

Thumbnail image Thumbnail image Thumbnail image Thumbnail image Thumbnail image Thumbnail image

Specifications



CPU:
Asus RS200-E9 Server:
Intel Xeon E3-1225 v5 [Skylake (4 Cores, 4 threads), LGA1151, 14nm, 3.30GHz (Turbo 3.70GHz), 8MiB Cache]
Motherboard:
Asus RS200-E9 Server:
??? rev. 1.xx, BIOS ver. ??? [Chipset: Intel C232 Chipset, LGA1151 Socket]
RAM:
Asus RS200-E9 Server:
32GB (2x 16GB) Samsung PC4-17000 (2133) DDR4-SDRAM [CL?, Dual channel, ECC]
Graphics:
Asus RS200-E9 Server:
Aspeed AST2400 on-board graphics [32MB VRAM]
Internal Storage:
Asus RS200-E9 Server:
SanDisk X400 M.2 512GB SSD [SATA-III 6Gb/s, AHCI, APM, NCQ, TRIM, DevSleep, TLC-NAND]
2x SanDisk Ultra II SDSSDHII-960G (960GB) 2.5" SSD [SATA-III 6Gb/s, RAID 1, APM, NCQ, TRIM, TLC-NAND]
1x Seagate ST5000LM000 5TB 2.5" Hard Disk [SATA-III 6Gb/s, AHCI, APM, NCQ]

Synology RS815+ RackStation
4x Western Digital WD6002FFWX 5.5TB Hard Disks [SATA-III 6Gb/s, RAID 5]
Optical Storage:
Asus Slim External Blu-Ray Writer
Display:
Via Aten KVM - Belkin 1U Rackmount Widescreen Server Console with 17" monitor F1DC101HEA @ 1280x1024
Input:
Via Aten KVM - Belkin 1U Rackmount Widescreen Server Console F1DC101HEA
Power Supply:
Asus RS200-E9 Server:
250 Watts PSU [80 Plus (Bronze)]
Internet and LAN:
Asus RS200-E9 Server:
Onboard 4x Intel I210AT (10/100/1000 Mbps)
Intel I350-T4 1Gbps 4x Port Network Adapter [PCIe 4x]
Startech 10Gbps SFP+ 1x Port Network Adapter [PCIe 4x]
Operating System(s):
Asus RS200-E9 Server:
Windows Server 2016 Standard
Ubuntu Server LTS (Hyper-V)
Ubuntu Server LTS (Hyper-V)



Return to the Development PC(s) and Network Menu
Content last updated: 10th April 2019